Главная » Продукция » Приводные ремни » Шкивы » BEA » Клиновые шкивы » SPZ » SPZ/1 » Шкив клиновой SPZ 250X1 ТВ 2012, BEA
Шкив клиновой SPZ 250X1 ТВ 2012, BEA
Факты о нас

Крупнейший склад ремней и шкивов в РФ (3 500 м²)

Премиум бренды в наличии

97% позиций со склада

Резка под размер

Доля рынка >50%

Техническая консультация

Отгрузка в день обращения

Цены ипортёра
О товаре и характеристики
Доставка
Оплата
Клиновые шкивы применяются для передачи крутящего момента с помощью клинового ремня на вал. Шкивы получили широкое применение в различных сферах производства и бытового оборудования. Ремни доступны со склада ЛАЙНКОМ в г. Москва.
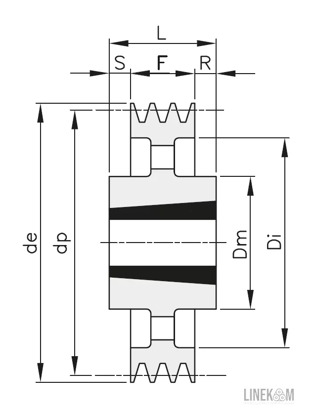
Технические характеристики Шкив клиновой SPZ 250X1 ТВ 2012, BEA
| Профиль ремня: | SPZ | ||
| Ширина со ступицей шкива: | L | 32 | |
| F | 16 | ||
| Dm | 112 | ||
| R (S) | 8 | ||
| Вес: | 3.4 | ||
| Наружный диаметр: | de | 254 | |
| Расчетный диаметр: | dp | 250 | |
| Кол-во ручьев: | 1 |
Свойства
- предназначен для работы при высоких оборотах
- для защиты оборудования,в случае превышения допустимых нагрузок,возможно проскальзывание ремня
- имеет высокую прочность и низкую стоимость
Основные материалы
Чугун
Отгрузка самовывозом
Отгрузка самовывозом производится с нашего основного склада по адресу:
г. Мытищи, Осташковское шоссе, вл. 5, стр. 1, сначала нужно пройти в бухгалтерию в офисном здании ком. 308, затем в ангар 4 (ЛАЙНКОМ).
При себе обязательно иметь оригинальную доверенность на получение Товара или печать организации и документ удостоверения личности.
Отгрузки производится с ПН по ЧТ с 9:00 до 16:50, в ПТ с 9:00 до 15:50.
Возможна отгрузка в день обращения!
ПРОЛОЖИТЬ МАРШРУТ В ЯНДЕКС.НАВИГАТОРг. Мытищи, Осташковское шоссе, вл. 5, стр. 1, сначала нужно пройти в бухгалтерию в офисном здании ком. 308, затем в ангар 4 (ЛАЙНКОМ).
При себе обязательно иметь оригинальную доверенность на получение Товара или печать организации и документ удостоверения личности.
Отгрузки производится с ПН по ЧТ с 9:00 до 16:50, в ПТ с 9:00 до 15:50.
Возможна отгрузка в день обращения!
Заказ товара
При наличии Товара на нашем центральном складе, отгрузка или доставка Товара возможна как правило на следующий день. В срочных случаях при размещении заказа до 11 00, отгрузка или доставка Товара возможна в тот же день после 13 00.
В каждом случае необходимо согласовывать с менеджером день и время отгрузки, т.к. многие ремни требуют нарезки из рукавов или рулонов.
Возврат товара
Возврат и обмен возможен только для клиновых и вариаторных ремней при условии, что они не были в эксплуатации и товарный вид был сохранен.
Зубчатые, поликлиновые, многоручьевые ремни нарезаются нами из рукавов или рулонов и не подлежат возврату.
Доставка
-
Деловые линии. Каждый рабочий день Товар отгружается через транспортную компанию Деловые линии.
Условия оплаты, доставки согласуются с менеджером индивидуально. Наша компания имеет большие объемы отправок и хороший уровень скидок (которые автоматически предоставляются и нашим клиентам) на доставку через компанию Деловые линии.
Здесь можно посмотреть статус отгрузки: https://www.dellin.ru/tracker/ - СДЭК. Отгрузка осуществляется по согласованию с менеджером или вы можете заказать забор груза компании СДЭК самостоятельно. https://www.cdek.ru
-
Любые другие транспортные компании и курьерские службы заказываются заказчиками самостоятельно.
В случае больших объемов закупки, доставка согласовывается индивидуально.
Оплата:
Оплата производится по счету, который выставляет менеджер интернет-магазина.
Важно! Счет на оплату действителен в течении 3-х дней. Возможно продление периода оплаты счета. Для этого необходимо связаться с вашим менеджером.
Товар отгружается в течение суток после поступления денежных средств (исключение составляют случаи оформления заказа на зубчатые, поликлиновые, многоручьевые и плоские ремни, т.к. эти ремни требуют нарезки из рукавов или рулонов).
Товар отгружается в течение суток после поступления денежных средств (исключение составляют случаи оформления заказа на зубчатые, поликлиновые, многоручьевые и плоские ремни, т.к. эти ремни требуют нарезки из рукавов или рулонов).
ПОХОЖИЕ ТОВАРЫ
ПРИВОДНЫЕ РЕМНИ И ШКИВЫ В НАЛИЧИИ НА СКЛАДЕ
Крупнейший в России склад приводных ремней.
Отправка во все регионы России, Казахстана, Беларуси и Армении. Быстро. Выгодно. Надежно.
Заказать звонок
Отправка во все регионы России, Казахстана, Беларуси и Армении. Быстро. Выгодно. Надежно.
ООО "Лайнком"ИНН: 7716186454, КПП: 771601001

/SPB%201Х0100%20(TB%201610),%20BEA-1.jpg)
